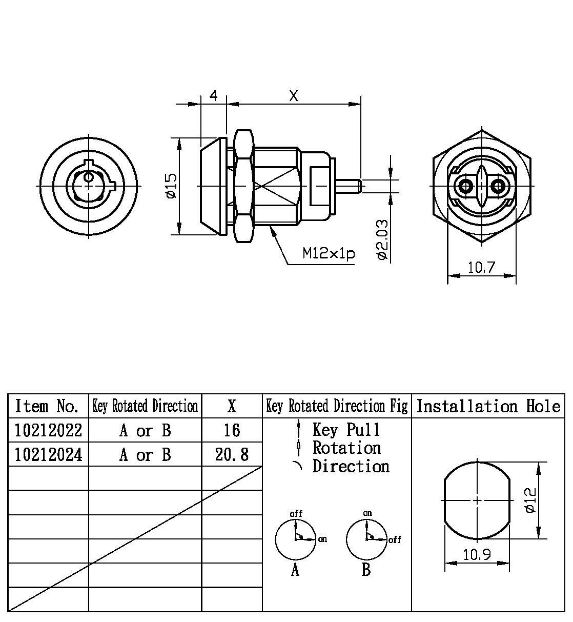
Miniature Tubular Key Switch Lock
Housing and barrel with zinc alloy ,chrome plated
Silver plated contacts and terminals
Our alarm system locks, telephone locks, and ticket vendor locks are designed to secure a wide range of applications, including but not limited to security system, alarm system, pc case, telephone, ticket vendor, etc.
Key alike
Current Rating: 2A /125VAC, 1A/250VAC
Contact Resistance: 10 Milli-Ohms Max
Insulation Resistance: 500 Meg-Ohm Min (500VDC)
Dielectric Strength: 1000 VAC-1 Minute
High-Security Miniature Tubular Key Switch for Space-Critical Electronics
Imagine an Electronics Designer working on a Secure Communication Device or a Compact Control Box where every millimeter of internal space counts. You need a way to lock out unauthorized users, but a full-sized switch just won't fit. The ABA 102120 Miniature Tubular Key Switch Lock is the ultimate Locking Solution for these high-density applications. As an expert Lock Manufacturer, we have integrated a high-precision 7-Pin Tubular Cylinder into a Small-Form-Factor housing made of durable Zinc Alloy, providing professional-grade Asset Protection and exceptional Mechanical Reliability.
The 102120 Model is an essential Security Component for Server Enclosures, Security Alarm Panels, and Point-of-Sale (POS) Systems. It allows for reliable Circuit Control and Power Management while occupying minimal panel space. For our OEM/ODM partners, ABA offers various Keying Options and customizable Internal Contacts to match your specific engineering requirements. Trust ABA’s Precision Engineering to deliver high-quality Hardware Components that bring robust Electric Key Switch functionality to even the most compact designs.
